| Sign In | Join Free | My tjskl.org.cn |
|
Brand Name : HENGXIANG
Model Number : S50 shaft encoder
Certification : CE,ISO9001
Place of Origin : Shanghai,China
MOQ : 1pcs encoder to start order
Price : negotiable
Payment Terms : D/A, D/P, T/T, Western Union, Credit Card, Master Card,Paypal, etc
Supply Ability : 100K pieces per year
Delivery Time : 3-5 working days for sample order, 7-15 working days for mass order
Packaging Details : each 1 piece was packed into single carton box
Brand : HENGXIANG
Product name : Digital shaft encoder
External diameter : 50mm
Output mode : OC, Voltage, Push-pull, Difference output
Output phase : Phase A+,B+,Z+ A- B- Z-
Supply voltage : DC5V ; DC8-30V
Shaft load : Radial 40N; Axial 20N
Protection grade : IP50 ; IP65
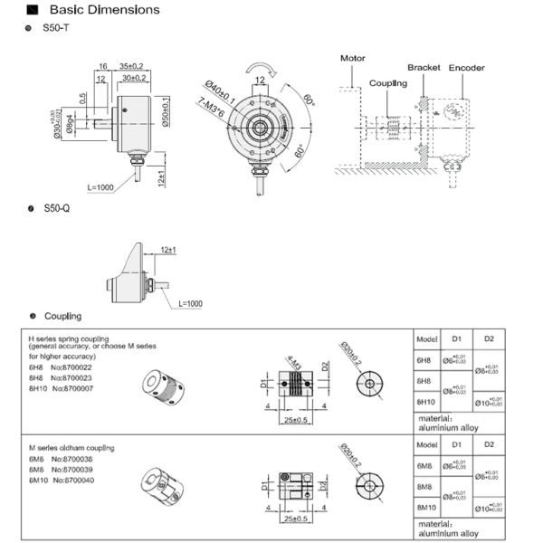
3600ppr S50 incremental encoder solid shaft 10mm axial length 16mm with 10mm coupling

Select a coupling for S50 solid shaft encoder
There are some applications that you may need to use a coupling to connect encoder to the motor shaft, there’re a few tips to select a coupling type
1 you need to consider the magnitude and nature of the required transmitted torque, the requirements for buffering and damping functions, and whether resonance may occur.
2 you also need to think about the degree of relative displacement of the two axis axes caused by manufacturing and assembly errors, shaft loading and thermal expansion deformation, and relative motion between components.
3 regarding the applicable dimensions and installation methods, in order to facilitate the assembly, adjustment and maintenance of the necessary operating space. For large couplings, it should be possible to disassemble the shaft without axial movement.
4. In addition, consideration should be given to the working environment, service life, and lubrication, sealing, and economic conditions. Refer to the various coupling characteristics and choose a suitable coupling type.
5. Here are some coupling part number, please carefully check before ordering.
4H4
6H6
6H8
8H8
8H10
6M6
6M8
8M8
8M10
…
Detail Specifications for S50 incremental encoder
| Items | Basic parameters |
| Brand | HENGXIANG |
| Encoder type | Incremental encoder |
| External diameter | 50mm |
| Resolution | 50;60;100;200;250;256;300;360;400;450;500;512;600; |
| 700;720;800;900;1000;1024;1200;2000;2048;2500;5000 | |
| 8192;10000;11520;16384;20000;23040 | |
| Output phase | Phase A+,B+,Z+ A- B- Z- |
| Supply voltage | DC5V ; DC8-30V |
| Output mode | NPN&PNP |
| Voltage output | |
| Push-pull output | |
| Difference output(TTL,HTL,RS422) | |
| Environmental temperature | Operating temperature: -20~+90° (Non icing) |
| Storage temperature: -25~+100° (Non icing) | |
| Environmental humanity | Operating and storage: 35~85%RH (non-condensing) |
| Protection grade | IP50 ; IP65 |
| Cable length | 1M (cable length could be added appropriately by |
| require, but it need payment individually) | |
| Consumption current | 100mA MAX |
| Top response frequency | 300KHZ |
| Allowable ripple | ≤3%rms |
| Load Voltage | ≤DC30V |
| starting torque | less than 5X10-3 N.m |
| Intertia moment | less than 3x 10-6kg.m2 |
| Shaft load | Radial 40N; Axial 20N |
| Top REV | 5000RPM ;IP65≤3000r rpm |
Payment terms:
1. T/T, western union, credit card, Paypal, etc
2. 3-5 working days after payment received
3. Encoders will be shipped once ready
FAQ
Q: What’s your MOQ?
A: 1pcs
Q: How to order your encoder?
A: Contact us, or email us, we will reply you as soon as possible.
Q: Are you a factory or a trading company?
A: we are 100% factory with our brand.
Q: What’s your brand?
A: HENGXIANG
Q: What parameters are requested before ordering an encoder?
A: You should get some basic parameters before you start to order. Such as installation dimensions, resolutions, circuit signal, power supply voltage, etc.
If you have any doubt on selecting the model, you are welcome to contact us for more assistant.
Q: Where is your factory?
A: Our factory is located on Shanghai City.
Q: Can I pay a visit to your factory?
A: Yes, you we welcome to visit our factory at any time if convenient.
Q: How long is your delivery time?
A: Usually 3 working days for sample, 7-15 days for mass production,
The production date is according to order quantity.
|
|
3600ppr S50 Incremental Digital Shaft Encoder 10mm Axial Length 16mm With 10mm Coupling Images |